7063 動態平衡電動二通閥(Q11F-16T)
產品概述:
本系列動態平衡電動二通閥具有流量動態平衡功能和電動開關功能的一體閥。是一種在設計工作壓差范圍內自動恒定流量的高精度控制閥門,能夠根據閥門進出中口壓差的變化,動態地改變閥膽流通面積的大小,使輸出流量始終保持恒定,并能根據溫控器要求,執行器接受開關閥廣的信號從而開啟或關閉閥門。
產品特點:
1.驅動器為直行程,互換性好。
2.流量誤羞≤5%
3.穩定:來端設備的流量變化不受系統壓力波動的影響,流量變化不互相干擾。
4.節能: 較傳統的系統節能6% - 20%
5.高效:大大縮短調試時間,系統運行具有高效率。
6.舒適:設控溫度精度更高,比傳統變流量系統更舒適。
7.閥體材料:鍛造黃銅、閥桿材料:不銹鋼、密封材料;氟橡膠,內件:黃銅、不銹鋼。
聯系我們
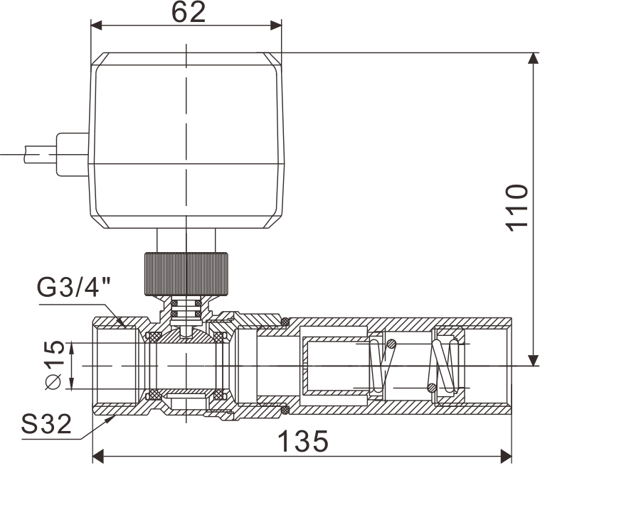
產品尺寸圖:

產品選型表:

同一系列














